BES00FT

BALLUFF

M18電感式接近開關

BES0074


詢問 型錄

M18NPNPNPNO3MPVC

2線式技術的標準程式

我們標準規格的電感式感測器非常適用於金屬領域的目標檢測。它們抗短路並採非接觸式運作,亦即無耗損且在髒污的環境下也能運作無礙。這些標準型電感式感測器具有直徑 3 mm 至 80 × 80 mm 方形尺寸的結構設計。

極堅固及可靠的通用型電感式感測器提供特別具有經濟效益的解決方案。我們所提供的 500 多種優選產品,也可在短時間內大量供貨至全世界。

技術規格

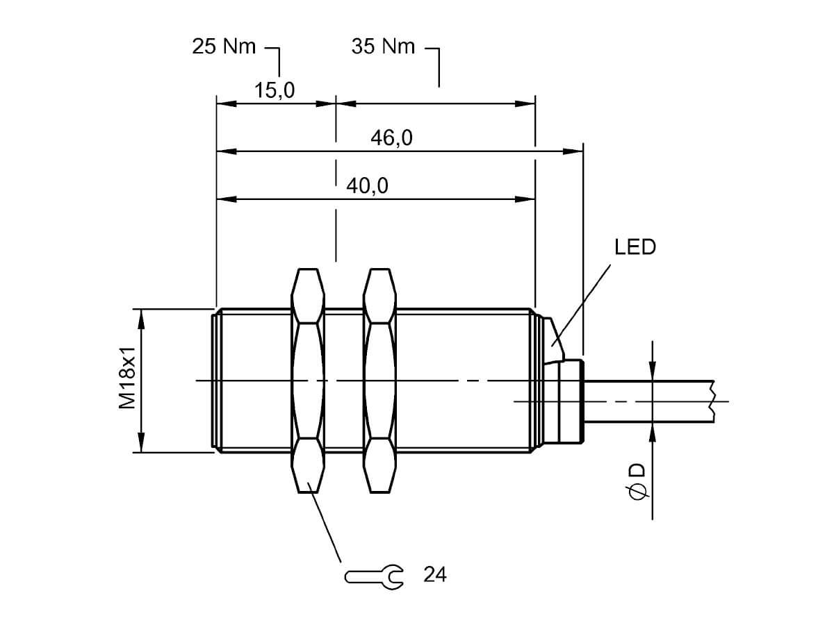
尺寸 Ø18 x 46 mm
結構尺寸 M18x1
安裝方式 齊平
換接頻率 600 Hz
外殼材料 黃銅
外層材料 PVC
感應面材料 PA12
表面防護 不含鎳塗層
工作電壓Ub 10-36 VDC
接口類型 電纜, 3.00 m, PVC
開關輸出端 無極性-常開觸點(NO)
環境溫度 -25…70°C
防護等級 IP67

 

需要詳細的產品資訊或行情嗎?